×
搜索
搜索
网站导航
首 页
关于我们
产品中心
应用案例
联系我们
新闻中心
厂房车间
您的位置:
首页
→
产品中心
→
光纤
→
矩阵光纤
YL-FR-35MLD矩阵光纤
上一个:YL-FR-30MLD矩阵光纤
下一个:YL-FT-35MLD矩阵光纤
详情介绍
PDF下载
资料下载
规格
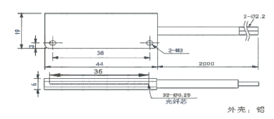
光纤外径=Ø 2.2mm
光纤内径=Ø 0.25mm
工作温度:-55℃~+70℃
最小弯曲半径:R25
尺寸
选型指南
东莞市宜令电子科技有限公司 版权所有
技术支持:
东莞网站建设